下载中心
公司微信
ENGLISTH
网站首页
关于泫氏
泫氏集团
历史传承
发展历程
泫氏愿景
资质荣誉
工程业绩
24大业绩地图
业绩列表
产品中心
W型系列
W1型系列
A型系列
B型系列
同层排水系列
雨水斗系列
地漏系列
卡箍系列
胶圈系列
铸管专家
新闻中心
企业新闻
行业动态
视频中心
媒体聚焦
采购平台
营销服务
服务理念
服务介绍
金融服务
生产管理
远程诊断
配件中心
维修保养
资料下载
人力资源
人才政策
招聘信息
简历投递
联系我们
关于泫氏
泫氏集团
历史传承
发展历程
泫氏愿景
资质荣誉
山西泫氏实业集团有限公司
泫氏铸业成立于1994年元月7日,22年来,泫氏人一直致力于铸铁排水事业的研究与发展。1999年起,连续十七年全国销量领先;《铸铁排水管国家标准》的制定者,全国建筑排水管道系统技术中心;总资产6亿,年产量12万吨,员工1500余人,是中国最大的铸铁排水管生产基地...
工程业绩
24大业绩地图
业绩列表
全国80%的地标建筑采用“玄”字铸铁排水管
北京奥运会指定供应商,上海中心大厦、中国尊、深圳平安金融中心等全国80%的地标建筑采用“玄”字铸铁排水管;产品出口美国、日本、欧洲、韩国、香港、台湾等40多个国家和地区...
产品中心
W型系列
W1型系列
A型系列
B型系列
同层排水系列
雨水斗系列
地漏系列
卡箍系列
胶圈系列
只要是铸铁排水产品,泫氏应有尽有
四大产品系列:W型、W1型、A型、B型 国际认证生产标准:国际标准ISO6594、中国标准GB/T12772、欧盟标准EN877、美国标准ASTM-A888、韩国标准KSD4307、日本标准JIS5525...
铸管专家
铸管工艺特点
管件工艺特点
质量控制
铸铁排水管优势
精管细做、用心做好每一支
拥有46项铸管生产专利技术,生产2000多种规格品种的排水管件。截止2015年底泫氏共生产约3100万支铸铁排水管,从未发生过漏水事故…
排水专家
泫氏高层试验塔
全国建筑排水管道系统技术中心
排水解决方案
泫氏人立志成为一名合格的“排水专家”
全国建筑排水管道系统技术中心落户在山西泫氏实业集团,泫氏不止步于生产优质的铸管产品,我们还能为客户提供排水系统的整体解决方案...
新闻中心
新闻中心
价值营销
公司动态
行业资讯
快速便捷的获取泫氏最新动态
快速便捷的获取泫氏铸业营销动态,随时关注泫氏最新产品下线、最新技术应用,共享最新行业资讯…
采购平台
人才招聘
人才政策
招聘信息
泫氏人
欢迎您加入泫氏
立足公司长远发展战略,通过完善的后备干部培养机制,挖掘员工潜力,为员工提供培训和职业发展机会;职业发展路径顺畅,人职匹配,人尽其才…
联系我们
产品中心
PRODUCT LIST
产品展示
联系我们
CONTACT US
固 话:
0356-5221219/5240009
手 机:
18935282920/15235624150
传 真:
0356-5226474
邮 箱:
suns-bim@sunspipe.com
地 址:
中国•山西•高平市寺庄镇箭头工业区
新闻中心
首页
>
新闻资讯
>
新闻中心
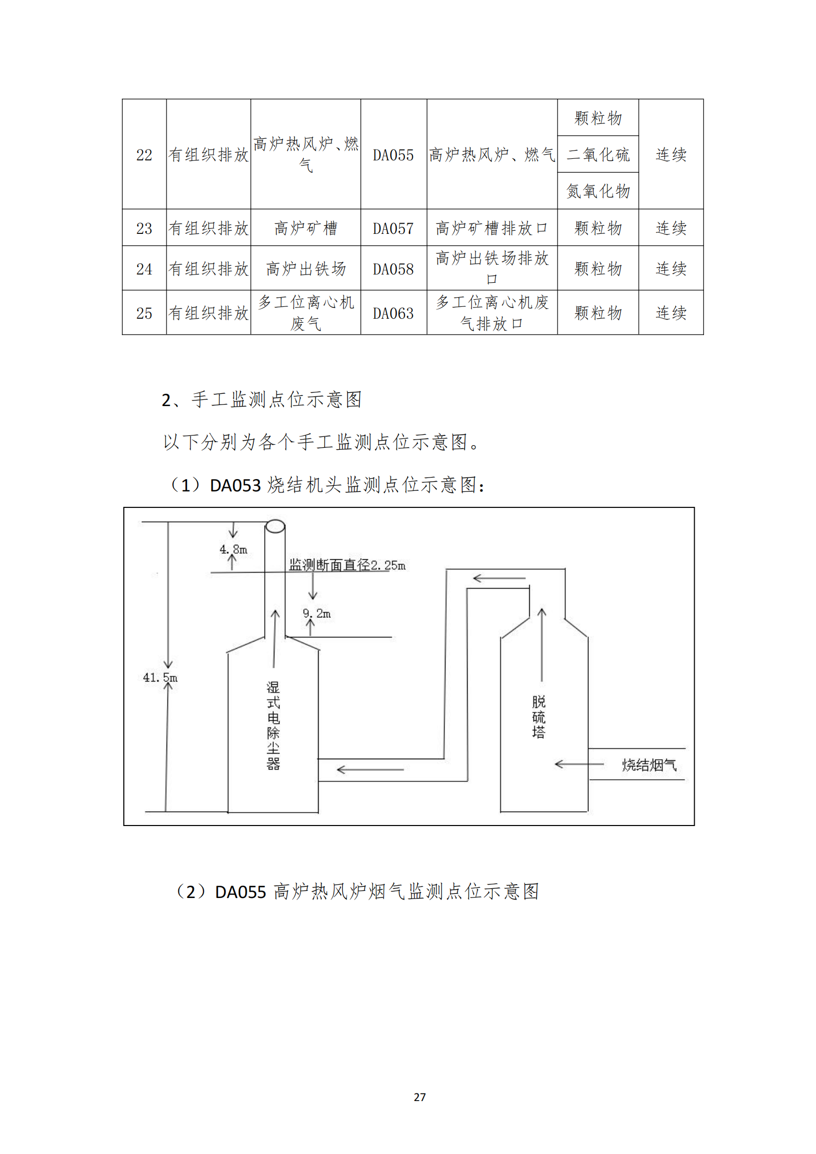
2022年《自行监测方案》
发布时间:2022-06-07 浏览:10086次
上一篇:
2020年2季度手工监测报告和在线设备比对监测报告
下一篇:
没有了